FORD COYOTE TI-VCT CAPABLE HP EFI KIT, BOSCH O2
FORD COYOTE TI-VCT CAPABLE HP EFI KIT, BOSCH O2 is backordered and will ship as soon as it is back in stock.
Couldn't load pickup availability
Description
Description
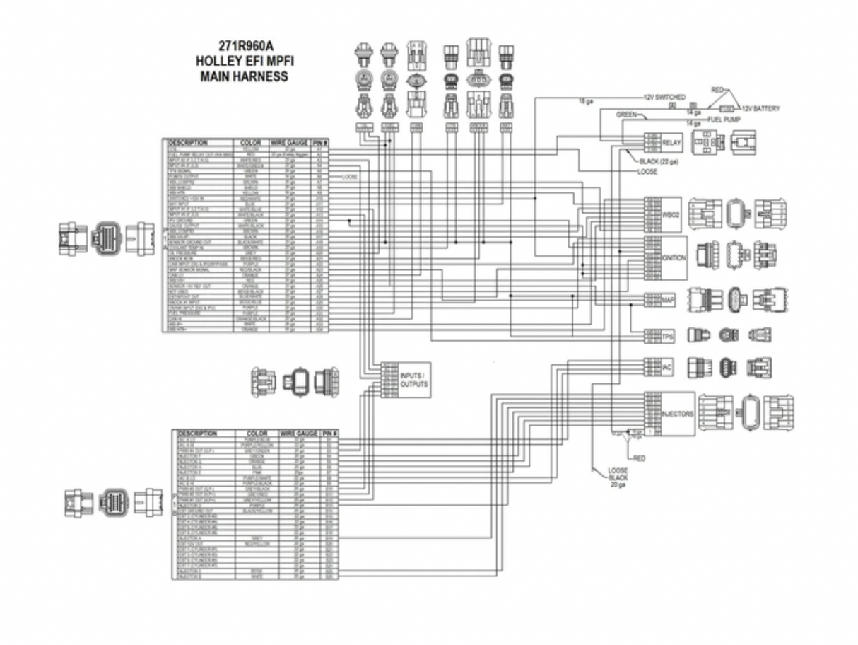
HP EFI ECU with Power Harness, Main Harness, Coil Harness, Injector Harness and Sensors includes Bosch Oxygen Sensor (Does not include Ti-VCT Controller or Harnesses)
Features:
- Now supports 2015-2017 Coyote engines
- HP EFI kits available
- Plug and Play main harness for 2011-2017 Coyote engines w/ stock cam shafts using stock coils (558- 110)
- Plug and Play main harness for 2011-2017 Coyote engines w/ stock cam shafts using Holley EFI coils (558-122)
- Compatible with HP or Dominator EFI
- Pre-calibrated Ford sensor drop downs in the Holley EFI software
- Ti-VCT Cam control down to 400 RPM
- Commanded timing matched within 1 degree
- User programmable tables enable the end user to fine tune aftermarket Ti-VCT compatible camshafts
- 4 Built in Diagnostic LEDS make diagnostics easy in the event of a cam or crank sensor failure
- Integrated stock cam position tables – eliminate tuning guess work, optimal drive-ability and power right out of the box
- Main harnesses come terminated with Ford TPS and IAC connectors, making it easy to convert from a DBW throttle body to a manual throttle body
- Installation of an external MAP sensor is required, we recommend part number 538-13 for N/A applications
- Main Harnesses includes a Power Tap Connector, as a convenient source for power and grounds when adding additional sensors or actuators
- CANBus communication between Coyote Ti-VCT and Holley EFI ECU for high speed data transfer and diagnostics
Payment & Security
Payment methods
Your payment information is processed securely. We do not store credit card details nor have access to your credit card information.







